Motoman HP20D-6
有效载荷
6公斤
达到
1915毫米
轴
6
应用程序
弧焊机器人、钻孔机器人,磨削机器人,机器管理机器人,物料搬运机器人,包装机器人,挑选和地方机器人,机器人等离子切割机器人,砂纸打磨机器人,射流
请求报价
联系我们:
有效载荷
6公斤
达到
1915毫米
轴
6
应用程序
弧焊机器人、钻孔机器人,磨削机器人,机器管理机器人,物料搬运机器人,包装机器人,挑选和地方机器人,机器人等离子切割机器人,砂纸打磨机器人,射流
了Motoman惠普20.D-6的最新版本是流行惠普20.-6机器人手臂。搭配的DXOne hundred.控制器,这种强大的手臂是完美的处理应用程序。大信封允许工作惠普20.D-6DXOne hundred.处理大型部件和复杂的过程。
使用Motoman惠普20.D-6也可以通过Robots.com。专家在Robots.com上要花多的时间和精力精心整修这些机器人,把他们带回的设备条件。
大信封允许新旧工作惠普20.D-6DXOne hundred.处理大型部件和复杂的过程。还有一个大信封,工作的灵活性惠普20.D-6是一个机器人具有高重复性的速度特别快。与机器人在这个速度,制造商可以很容易地提高生产的速度,它可以帮助一个公司生产更多或完成更多的订单。随着时间的推移,这将帮助公司成长。
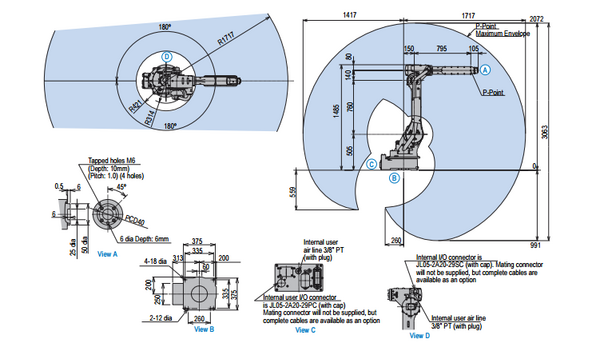
的惠普20.D-6有一个比它的兄弟姐妹长达到惠普20.-6,这使得它与应用程序需要更大的工作信封和灵活性,并使其适用于各种不同的行业…甚至你的!
有效载荷
6公斤
达到
1915毫米
轴
6
可重复性
0.06毫米
质量
273公斤
结构
清晰的表达
越来越多的
地板上
j - 1
197°/ s (3.44 rad / s)
J2
175°/ s (3.05 rad / s)
J3
187°/ s (3.26 rad / s)
阁下
400°/ s (6.98 rad / s)
J5
400°/ s (6.98 rad / s)
卫星
600°/ s (10.47 rad / s)
j - 1
°±180
J2
+ 155°- 100°
J3
+ 255°- 165°
阁下
°±200
J5
+ 230°- 150°
卫星
°±360
让我们谈谈!
不能找到你正在寻找什么?
叫专家+ 18777626881或写一个信息。






