发那科M-20iA / 12 l
             有效载荷
            
             12公斤
           
             达到
            
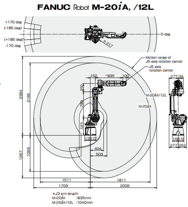
             2009毫米
           
             轴
            
             6
           
             应用程序
            
             物料搬运机器人,机器负载的机器人
           的发那科米-20.iA /12l是一个6轴工业机器人12公斤有效载荷,是理想的高速加载和卸载应用程序。它是一种小型的机器人,有一个纤细的手腕和占用空间小,使其能够在紧张的工作空间。此外,单个机器人之间的电缆和控制器是集成到手臂,减少维护成本,同时使维护更容易。
消除导航在升高,有一个绝对编码器定位和智能彩色图形示教器网络准备好了。
最好的载荷、手腕的时刻,和手腕惯性在其类别,M -20.iA /12L是适合各种安装和工具选项,只有提高其整体多才多艺的制造商。它可以安装在地板上,角,墙壁或天花板。这个机器人配备了先进的R -30.iB控制器和达到的2009年毫米,长臂起重机。
           有效载荷
          
           12公斤
         
           达到
          
           2009毫米
         
           轴
          
           6
         
           可重复性
          
           0.08毫米
         
           质量
          
           250公斤
         
           结构
          
           清晰的表达
         
           越来越多的
          
           地板,倒角
         
           j - 1
          
           200°/ s (3.49 rad / s)
         
           J2
          
           175°/ s (3.05 rad / s)
         
           J3
          
           190°/ s (3.32 rad / s)
         
           阁下
          
           430°/ s (7.5 rad / s)
         
           J5
          
           430°/ s (7.5 rad / s)
         
           卫星
          
           630°/ s (11 rad / s)
         
           j - 1
          
           °±370
         
           J2
          
           °±260
         
           J3
          
           + 460°- 6°
         
           阁下
          
           °±400
         
           J5
          
           °±360
         
           卫星
          
           °±900
         让我们谈谈!
不能找到你正在寻找什么?
叫专家+ 18777626881或写一个信息。






