发那科M-20iB / 25 c
有效载荷
25公斤
达到
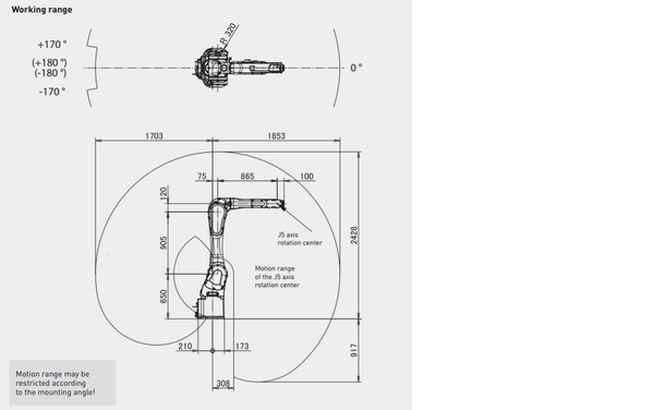
1853毫米
轴
6
应用程序
洁净室的机器人
有效载荷
25公斤
达到
1853毫米
轴
6
可重复性
0.05毫米
质量
250公斤
结构
清晰的表达
越来越多的
地板,倒角
j - 1
205°/ s (3.58 rad / s)
J2
205°/ s (3.58 rad / s)
J3
260°/ s (4.54 rad / s)
阁下
415°/ s (7.24 rad / s)
J5
415°/ s (7.24 rad / s)
卫星
880°/ s (15.36 rad / s)
j - 1
°±360
J2
°±240
J3
°±303
阁下
°±400
J5
°±290
卫星
°±540
让我们谈谈!
不能找到你正在寻找什么?
叫专家+ 18777626881或写一个信息。






