库卡机器人Shelf-Mounted系列

库卡机器人Shelf-Mounted系列

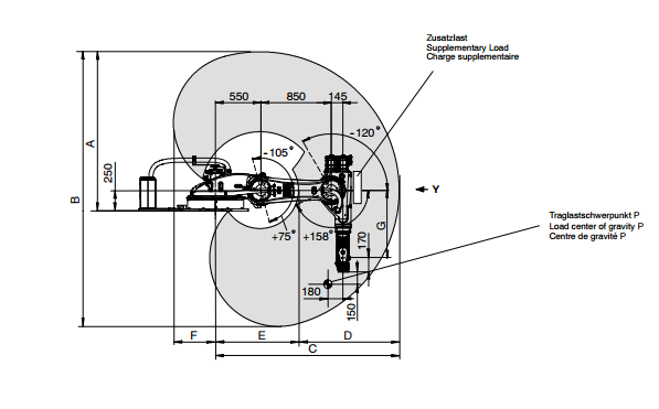
库卡KR 30-4 KS

KR 30-4 KS是货架安装机器人可以提供精确的和强大的运动低到中等载荷的任务。它可以处理多达30公斤有效载荷,达到2233毫米。同时,基米-雷克南30-4 KS有一个小的足迹,给你节省空间的效率对于征服各种不同的任务和应用程序,如切割、配药、机器管理,材料处理。

货架安装机器人提供灵活性和更多的机会,因为他们可以集成到一个注射机、压铸机、机床。这个是搭配KR C4控制器和准备把你的地板上难以置信的生产力。

robots-for-more-information

机器人的规格

轴:
6
有效载荷:
30公斤
H-Reach:
2233毫米
可重复性:
±0.06毫米
机器人质量:
600公斤
结构:
清晰的表达
安装:
地板上

机器人运动速度

j - 1
140°/ s (2.44 rad / s)
J2
137°/ s (2.39 rad / s)
J3
166°/ s (2.9 rad / s)
阁下
260°/ s (4.54 rad / s)
J5
245°/ s (4.28 rad / s)
卫星
322°/ s (5.62 rad / s)

机器人的运动范围

j - 1
°±150
J2
+ 75°- 105°
J3
+ 158°- 120°
阁下
°±350
J5
°±119
卫星
°±350

你的信息

要求
要求
要求
要求
要求

细节

Baidu