Motoman弧焊机器人系列
Motoman MA2010
Motoman MA2010是一款先进的六轴弧焊机器人。这个机器人配备了新的DX200控制器,10公斤的有效载荷,和+/-0.8毫米的重复性。MA2010车身很薄,可延伸,可以在不占用太多空间的情况下增加产量。它有一个宽50毫米通孔,用于火炬电缆,传感器电线和水冷却,消除电缆干扰,简化编程。其对称的手腕设计允许平等的火炬访问双方的部分被焊接。Motoman MA2010由于其轻薄和精度,非常适合多个机器人在近距离工作的高密度工作单元,但它本身也能很好地工作。
如果您正在寻找高速,精确的弧焊自动化,Motoman MA2010正是您所需要的。
         robots-for-more-information
        
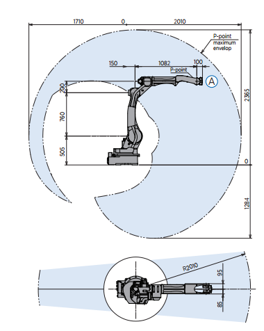
       机器人的规格
- 轴:
 - 6
 - 有效载荷:
 - 10公斤
 - H-Reach:
 - 2010毫米
 - 可重复性:
 - ±0.08毫米
 - 机器人质量:
 - 280公斤
 - 结构:
 - 清晰的表达
 - 安装:
 - 地板上
 
机器人运动速度
- j - 1
 - 197°/s (3.44 rad/s)
 - J2
 - 190°/s (3.32 rad/s)
 - J3
 - 210°/s (3.67 rad/s)
 - 阁下
 - 410°/s (7.16 rad/s)
 - J5
 - 410°/s (7.16 rad/s)
 - 卫星
 - 610°/s (10.65 rad/s)
 
机器人运动范围
- j - 1
 - °±180
 - J2
 - +155°- 105°
 - J3
 - +220°- 170°
 - 阁下
 - °±150
 - J5
 - +90°- 135°
 - 卫星
 - °±210
 
欢迎补充
- 
        
        Motoman DX200控制器
查看项目 - 
        
         - 安全围栏1通道门
 - 光幕或区域扫描仪
 - 安全处理器
 
亚博平台登录网站Robotworx豪华安全套装
 - 
        
        米勒小型焊接